MWCNT-Dispersion

MWCNT wässrige Dispersion

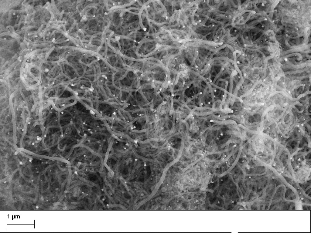
Kohlenstoffnanoröhrchen, sowohl einwandig als auch mehrwandig, sind weit verbreitet und gut charakterisiert als Nanofüllstoffe. Diese Materialien, die aus eingerollten Graphenplatten bestehen, haben aufgrund ihrer sp2 - Verbindungen einzigartige Eigenschaften. Zugfestigkeit von Kohlenstoffnanoröhren sind hundertmal höher als die von Stahl, und das spezifische Gewicht ist etwa sechsmal niedriger. Damit initiierte das CNT umfangreiche Forschungen auf dem Gebiet der Biomedizin - Materialien, Biosensoren den Transport von Medikamenten, Verbundmaterialien und Textilien aufgrund ihrer hohen chemischen Beständigkeit sowie der guten mechanischen und thermischen Eigenschaften, sowie der elektrischen und biochemischen Eigenschaften.

CNT kommen in Frage als vielversprechende Nanofüllstoffe in Verbundwerkstoffen, die zunehmend in vielen technischen Lösungen verwendet wegen. Ihre Vorteile gegenüber herkömmlichen Strukturmaterialien wie Metalle, die eine hohe Steifigkeit u ein gutes Stärke-Gewichts-Verhältnis aufweisen, gehören zu den attraktivsten Eigenschaften von CNT. Nanoröhren werden häufig zur Verstärkung von Verbundwerkstoffen verwendet. Die Verwendung von Glasfasern, die mittels Nanoröhren beschichtet sind, kann die Festigkeit des gesamten GFK (Glas-Faser-Kunststoff) um 60 % erhöhen.